<返回上一级 点击次数:336 录入时间:2025-03-20 15:11:44

TL-306系列动态扭矩传感器
◆ 特性与应用 1. 本系列传感器为接触式电阻应变式弹性体元件和集成电路构成的一体产品,体积下,精度高,性能稳定可靠. 2. 多种数字或模拟信号可选, 输出正、反双向扭矩信号. 3. 两端均为轴键式连接. 4. 转速最高可达3000转/分钟. 5. 广泛应用于伺服电机、发动机、液压马达以及阀门的扭矩、转速、功率和效率的测量与测试。 |
|
◆ 技术参数
参 数 | 技术指标 | 参 数 | 技术指标 | |
量 程 | 0±0.5,±1,±2,±5Nm | 输出电阻 | 1000±2Ω | |
输出信号 | 4-20mA | 绝缘电阻 | ≥500MΩ/ 100VDC | |
零点输出 | ±0.2% F.S. | 激励电压 | 18-36VDC | |
非线性 | ±0.1%F.S,0.3% F.S, 0.5%F.S. | 温度补偿范围 | -10 ~ 60ºC | |
滞后 | ≤±0.1% F.S. | 工作温度范围 | -10 ~ 60ºC | |
重复性 | ≤±0.1% F.S | 安全超载 | 120% F.S. | |
蠕变 | ≤±0.03% F.S/30min | 极限超载 | 150% F.S. | |
温度灵敏度漂移 | 0.03% F.S. / 10℃ | 电缆线尺寸 | Ø2×3m | |
零点温度漂移 | 0.03% F.S. / 10℃ | 电气连接 | 红/E+,白/S+ | |
输入电阻 | 1000±2Ω | 材质 | 合金钢 |
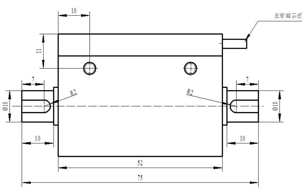
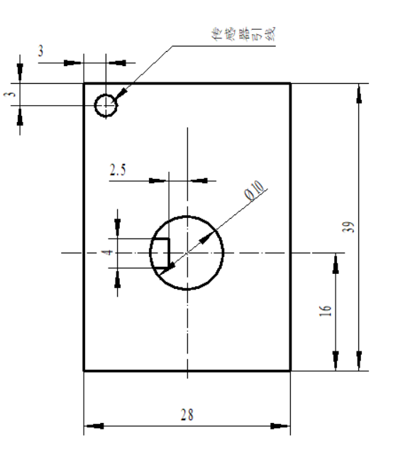
◆ 外形尺寸

