<返回上一级 点击次数:336 录入时间:2025-03-20 15:12:06

◆TL-305B 盘式动态扭矩传感器-无轴承
特性与应用
· 量程:50-10KNm · 最短的安装长度
· 集成化双挠性盘耦合联轴器 · 无轴承,消除轴承磨擦影响 · 非接触式
· 高转速 20K RPM · 安装角度小
◆技术参数
量程:0-50-5000-10000Nm 精度: ±0.1, ±0.2%FS
重复性: ±0.02%
零点温度影响: ±0.02%FS 满度温度影响: ±0.02%FS 补偿温度范围:-10~60。C 工作温度范围:-20~75。C
输出:10±5kHz ,4-20mA, ±5VDC, ±10VDC, RS485, RS232
供电电压:18-30VDC
供电电流:小于 100mA
电气连接:7-Pin
过载保护:200%FS
材质:传感器 17-4PH 不锈钢,外壳为铝
选项
转速测量:最大转速:20KRPM,60 脉冲,180 脉冲 4-20mA,5V/ TTL , ±5VDC,
±10VDC,RS485,RS232, CAN
安装:轴向差值±0.2mm,角度误差 0.4 °
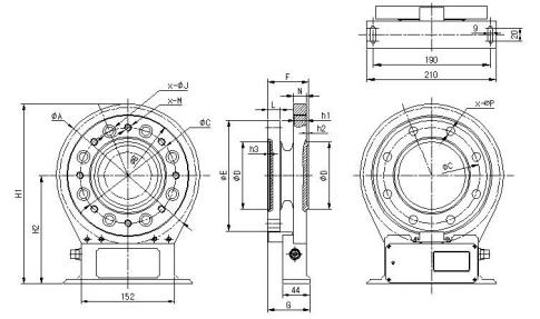
◆外形尺寸
Cap(Nm) | φA | φB | φC | φD | φE | F | G | H1 | H2 | J | M | L | N | h1 | h2 | h3 | P | rpm(转速) |
50, 100,200 | 152 | 114 | 84 | 57 | 110 | 45 | 50 | 209 | 133 | 6-φ14 | 6-M8 | 13 | 20 | 15 | 1.5 | 2.7 | 6-φ8.2 | 20000 |
500, 1000 | 176.4 | 134 | 101.5 | 75 | 130 | 57.5 | 60.5 | 232.2 | 144 | 8-φ17 | 8-M10 | 13 | 20 | 17 | 2 | 4.2 | 8-φ10.5 | 15000 |
2k,3k | 210 | 164 | 130 | 90 | 156 | 53 | 58 | 266 | 161 | 8-φ19 | 8-M12 | 15 | 20 | 18 | 2.5 | 4.2 | 8-φ12.5 | 12000 |
5k | 233 | 196 | 155.5 | 110 | 180 | 65.8 | 68 | 292 | 175.5 | 8-φ22 | 8-M14 | 20 | 22 | 20 | 2.8 | 4.2 | 8-φ14.5 | 10000 |
10k | 298 | 240 | 196 | 140 | 230 | 79 | 80.5 | 342 | 199 | 8-φ26 | 8-M16 | 22 | 22 | 22 | 3.5 | 4.2 | 8-φ16.5 | 8000 |