<返回上一级 点击次数:336 录入时间:2025-03-20 15:12:34

TL-305系列双法兰盘式动态扭矩传感器
◆ 特性与应用 1. 本系列传感器为非接触电阻应变式弹性体元件和集成电路构成的一体产品,为高速直流电机等高速测试环境设计的一款分体式、无轴承摩擦力矩影响。适用于高转速、横向安装空间小、测试精度要求高的应用场合。精度高,性能稳定可靠. 2. 多种数字或模拟信号可选, 输出正、反双向扭矩信号. 3. 两端均为轴键式连接. 4. 转速最高可达9000转/分钟. 5.广泛应用于电机、发动机、转向器、液压马达以及阀门的扭矩、转速、功率和效率的测量与测试. |
|
◆ 技术参数
参 数 | 技术指标 | 输入电阻 | 1000±2Ω | |
量 程 | 0-10,20,50,100,1K,5K,10K,20K,50K,100K,1000KNm | 绝缘电阻 | ≥500MΩ/ 100VDC | |
输出信号 | 10±5KHz/4-20mA//0-5V/0-10V/0±5V/0±10V可选 | 激励电压 | 18-36VDC或±15VDC | |
零点输出 | ±0.2% F.S. | 温度补偿范围 | -10 ~ 60ºC | |
非线性 | ±0.1%F.S,0.3% F.S, 0.5%F.S. | 工作温度范围 | -10 ~ 60ºC | |
滞后 | ≤±0.1% F.S. | 安全超载 | 120% F.S. | |
重复性 | ≤±0.1 % F.S | 极限超载 | 150% F.S. | |
蠕变 | ≤±0.03% F.S/30min | 电缆线尺寸 | Ø5×5m | |
温度灵敏度漂移 | 0.03% F.S. / 10℃ | 18-36V电气连接 | 红/E+,黑/E-,黄/扭矩+,棕/信号公共-,白/转速+ | |
零点温度漂移 | 0.03% F.S. / 10℃ | ±15V电气连接 | 红/E+,黑/EG,棕/E-,黄/扭矩+,白/转速+ | |
输入电阻 | 1000±2Ω | 材质 | 合金钢 |
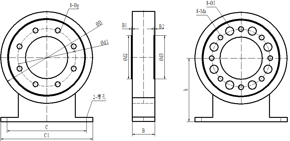
◆ 外形尺寸

型 号 | 量程(Nm) | 转速(rpm) | ΦD | Φd1 | Φd2 | Φd3 | B | B1 | B2 | 2-槽孔 | h | C | C1 | 8-Φg | 8-Ma | 8-ΦI | W(Kg) |
TL-305 | 50-500 | 9000 | 198 | 101.5 | 75 | 75 | 56 | 3 | 4 | 9 | 144 | 190 | 210 | 10.5 | M10 | 17 | 15 |
TL-305 | 1K-5K | 7000 | 238 | 133 | 110 | 110 | 56 | 3 | 4 | 11 | 185 | 208 | 238 | 13 | M12 | 20 | 25 |
TL-305 | 6K-10K | 6000 | 310 | 196 | 140 | 140 | 85 | 3.5 | 4 | 11 | 220 | 280 | 310 | 17 | M16 | 26 | 50 |
注:表里尺寸均为mm,10KNm以上可联系我公司索取图纸。