<返回上一级 点击次数:336 录入时间:2025-03-21 13:07:47

TL-4502A系列动态扭矩传感器
特性与应用 · 电阻应变为敏感元件和集成电路构成的一体产 品,精度高,性能稳定可靠。 · 输出正反转扭矩信号, · 两端均为键连接, • 转速可达3000转/分钟。
| |
技术参数
参 数 | 技术指标 | 参 数 | 技术指标 | |
量 程 | 0-10,20,30,50,100,200,500,1000Nm | 输入电阻 | 1000±5Ω | |
输出信号 | 4-20mA/0-5V/0-10V/0±5V/0±10V | 绝缘电阻 | ≥5000MΩ/ 100VDC | |
零点输出 | ±0.5% F.S. | 激励电压 | 24VDC | |
非线性 | ±0.1,0.3% F.S. | 温度补偿范围 | -10 ~ 60ºC | |
滞后 | ≤±0.05% F.S. | 工作温度范围 | -20 ~ 80ºC | |
重复性 | ≤±0.05% F.S | 安全超载 | 150% F.S. | |
蠕变 | ≤±0.03% F.S/30min | 极限超载 | 200% F.S. | |
温度灵敏度漂移 | 0.03% F.S. / 10℃ | 电缆线尺寸 | Ø5.2×3m | |
零点温度漂移 | 0.03% F.S. / 10℃ | 二线制4-20mA接线方式 | 红/E+(24V)黄/S+(信号线) | |
综合精度 | ±0.1,0.3,0.5% F.S. | 四线制电压接线方式 | 红/E+(24V),黑/E-(0V)黄/S+(信号+),棕/S-(信号-) | |
输入电阻 | 1000±10Ω | 材质 | 不锈钢或合金钢 |
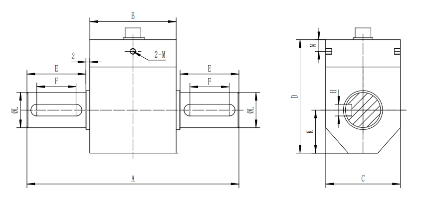
外形尺寸

型 号 | 量程(Nm) | A | ΦL | B | C | D | E | F | K | N | M | H |
TL-4502A | 10-100 | 108 | 18 | 44 | 38 | 58 | 30 | 22 | 19 | 6 | 2-M3 | 6 |
TL-4502A | 200-500 | 143 | 28 | 56 | 53 | 73.5 | 40 | 30 | 27 | 6 | 2-M3 | 2-8 |
TL-4502A | 1000 | 204 | 40 | 97 | 80 | 96 | 60 | 42 | 40 | 8 | 4-M4 | 2-12 |